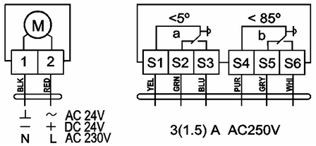
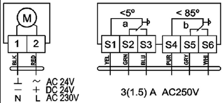
Электроприводы применяются для управления положения заслонки в воздушных клапанах для систем вентиляции и кондиционирования воздуха.




После получения запроса с Вами свяжется специалист для уточнения всех деталей.
Мы обработаем Ваш запрос и составим коммерческое предложение.
Оплату Вы производите после заключения договора а мы подготавливаем оборудование к отгрузке.