Электроприводы AIRS BLF-5-А

AIRS
Электропривод предназначен для управления огнезадерживающими клапанами и клапанами дымоудаления, установленных в системах вентиляции и кондиционирования и системах противопожарной вентиляции.

Тип: BLF-5

Тип электропривода: с возвратной пружиной

Крутящий момент: 5 Нм

Описание
Как купить
Оплата
Доставка

Описание

Электроприводы AIRS BLF

Электроприводпредназначен для управления огнезадерживающими клапанамии клапанами дымоудаления, установленных в системах вентиляции и кондиционирования и системах противопожарной вентиляции.

Характеристики AIRS BLF230A


Принцип действия
При подаче напряжения питания вал приводаприводит створку клапанав рабочее положение и одно- временно взводится возвратная пружина. При прекращении подачи питания энергия, запасенная в пружине, возвращает створку клапана в охранное положение.

Монтаж
Электропривод устанавливается на клапан с квадратным приводным валом размером 12 мм и закрепляется черезкрепежные отверстия 06 мм к корпусу клапана.

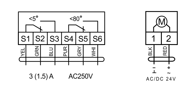
Сигнализация положений
Электропривод содержит два встроенных переключателя для сигнализации положения створки при углах поворотана 5° и 80° Промежуточное положение определяется по механическому указателю.



Схема подключения AIRS BLF230A


Характеристики AIRS BLF24A



Принцип действия
При подаче напряжения питания вал приводаприводит створку клапанав рабочее положение и одно- временно взводится возвратная пружина. При прекращении подачи питания энергия, запасенная в пружине, возвращает створку клапана в охранное положение.

Монтаж
Электропривод устанавливается на клапан с квадратным приводным валом размером 12 мм и закрепляется черезкрепежные отверстия 06 мм к корпусу клапана.

Сигнализация положений
Электропривод содержит два встроенных переключателя для сигнализации положения створки при углах поворотана 5° и 80° Промежуточное положение определяется по механическому указателю.


Схема подключения AIRS BLF24A

Как купить

Оставить запрос на производство и доставку Вы можете любым удобным для Вас способом:


  • Оформить запрос через форму на сайте
  •  Оформить заявку по почте info@атмис.рф
  •  Связаться с нашим менеджером по телефону 8 (812) 642-95-72

После получения запроса с Вами свяжется специалист для уточнения всех деталей.


Мы обработаем Ваш запрос и составим коммерческое предложение.

Оплату Вы производите после заключения договора а мы подготавливаем оборудование к отгрузке.

Оплата

Оплата заказа


  • Сделки осуществляются только с юридическими лицами.

Все заказы юридических лиц сопровождает специалист, который обеспечит резервирование заказа и его сборку до поступления платежа на расчетный счет.

Оплата доставки


  • Сроки и стоимость доставки в регион рассчитывается модулем транспортных компаний партнеров.
  • Стоимость доставки оплачиваться отдельно и не включается в сумму заказа.

Доставка

Доставка по Москве и Санкт-Петербургу


  •  Бесплатная доставка по Санкт-Петербургу и Москве при заказе от 50 000 руб.
  • Самовывоз со склада

Доставка по России


  •  Отправка транспортной компанией*
  • Самовывоз со склада.

*Расходы, связанные с перемещением до терминала ТК в Москве или Санкт-Петербурге, осуществляются за наш счет, независимо от объема оборудования. Мы заботимся о качестве обслуживания, поэтому гарантируем оперативное и эффективное сотрудничество.
Смотрите также