Электроприводы AIRS SM-16

AIRS

Тип: SM-16

Тип электропривода: без пружинного возврата

Область применения: управление воздушными клапанами

Крутящий момент: 16 Нм

Описание
Как купить
Оплата
Доставка

Описание

Электроприводы AIRS SM


Электроприводпредназначен для управления воздушными клапанами систем общеобменной вентиляции зданийи сооружений.

Характеристики AIRS SM24-SR



Принцип действия
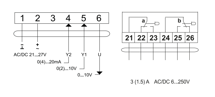
При подаче управляющего сигнала происходит вращениевала электропривода к положениям открыто или закрыто в зависимости от величины управляющего сигнала. На плате привода под верхней крышкой находится переключатель, тумблер 1 которого производит смену направления вращения: «ON» – по часовой стрелке; «OFF» – против часовой стрелки. Тумблер 2 производит переключение диапазона величины управляющего сигнала: «ON» – 0…10В или 0…20мА; «OFF» – 2…10В или 4…20мА.

Монтаж
Электропривод легко устанавливается непосредственно на вал створки клапана круглого сечения 10…20 мм или квадратного сечения10…16 мм и закрепляется с помощью универсального крепежного устройства. К корпусу клапана электропривод крепится при помощи универсальной крепежной пласти- ны или непосредственно на корпус клапана.

Сигнализация положений
Электропривод содержит два встроенных переключателя, которые могут устанавливаться на различный угол сигнализации. Промежуточное положение определяется по механическому указателю.




Схема подключения AIRS SM24-SR



Характеристики AIRS SM24-S



Принцип действия
При подаче напряжения происходит вращение вала электропривода к положениям открыто или закрыто. При прекращении подачи напряжения вал сохраняет свое положение. Ручноеуправление осуществляется поворотом вала привода после вывода из зацепления редуктора при помощи рычага на корпусе привода.

Монтаж
Электропривод легко устанавливается непосредственно на вал створки клапана круглого сечения 10..20 мм или квадратного сечения10..16 мм и закрепляется с помощью универсального крепежного устройства. К корпусу клапана электропривод крепится при помощи универсальной крепежной пласти- ны или непосредственно на корпус клапана.

Сигнализация положений

Электропривод содержит два встроенных переключателя, которые могут устанавливаться на различный угол сигнализации. Промежуточное положение определяется по механическому указателю.




Схема подключения AIRS SM24-S




Характеристики AIRS SM230-S



Принцип действия
При подаче напряжения происходит вращение вала электропривода к положениям открыто или закрыто. При прекращении подачи напряжения вал сохраняет свое положение. Ручноеуправление осуществляется поворотом вала привода после вывода из зацепления редуктора при помощи рычага на корпусе привода.

Монтаж
Электропривод легко устанавливается непосредственно на вал створки клапана круглого сечения 10...20 мм или квадратного сечения10…16 мм и закрепляется с помощью универсального крепежного устройства. К корпусу клапана электропривод крепится при помощи универсальной крепежной пласти- ны или непосредственно на корпус клапана.

Сигнализация положений

Электропривод содержит два встроенных переключателя, которые могут устанавливаться на различный угол сигнализации. Промежуточное положение определяется по механическому указателю.



Схема подключения AIRS SM230-S


Как купить

Оставить запрос на производство и доставку Вы можете любым удобным для Вас способом:


  • Оформить запрос через форму на сайте
  •  Оформить заявку по почте info@атмис.рф
  •  Связаться с нашим менеджером по телефону 8 (812) 642-95-72

После получения запроса с Вами свяжется специалист для уточнения всех деталей.


Мы обработаем Ваш запрос и составим коммерческое предложение.

Оплату Вы производите после заключения договора а мы подготавливаем оборудование к отгрузке.

Оплата

Оплата заказа


  • Сделки осуществляются только с юридическими лицами.

Все заказы юридических лиц сопровождает специалист, который обеспечит резервирование заказа и его сборку до поступления платежа на расчетный счет.

Оплата доставки


  • Сроки и стоимость доставки в регион рассчитывается модулем транспортных компаний партнеров.
  • Стоимость доставки оплачиваться отдельно и не включается в сумму заказа.

Доставка

Доставка по Москве и Санкт-Петербургу


  •  Бесплатная доставка по Санкт-Петербургу и Москве при заказе от 50 000 руб.
  • Самовывоз со склада

Доставка по России


  •  Отправка транспортной компанией*
  • Самовывоз со склада.

*Расходы, связанные с перемещением до терминала ТК в Москве или Санкт-Петербурге, осуществляются за наш счет, независимо от объема оборудования. Мы заботимся о качестве обслуживания, поэтому гарантируем оперативное и эффективное сотрудничество.
Смотрите также